SMP
SMP
Primary Technical Characteristics
| Elecreical Performance | Material and Mechanical Performance | |||||
|---|---|---|---|---|---|---|
| Characteristic Impedance | 50Ω | Center Contact | Pin | Beryllium Copper | Gold Plating | |
| Frequency Range | DC~26.5GHz | Socket | Beryllium Copper | Gold Plating | ||
| Rated Voltage | 335V rms | Body and Other Metal Parts | Brass/Stainless Steel | Gold plating / Passivation | ||
| Dielectric Strength Voltage | 500V rms | Elastic Part | Beryllium Copper | Gold Plating | ||
| VSWR | ≤1.10 | DC~3GHz | Insulator | Unthreaded Hole | PTFE | |
| ≤1.15 | 3GHz~6GHz | Meshing Force & separating force | Half Escapement | 9N max | 2.2N | |
| ≤1.30 | 6GHz~26.5GHz | Escapement | 45N max | 9N min | ||
| Contact Resistance | ≤6.0mΩ | Center Contact | Unthreaded Hole | 68N max | 22N min | |
| ≤2.0mΩ | Outer Contact | Durability | Half Escapement | 1000次 | ||
| Insulation Resistance | ≥5000MΩ | Escapement | 500次 | |||
| Insertion Loss | ≤0.05√f(GHz)dB | 100次 | ||||
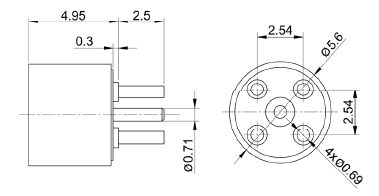
Model
![]() |
![]() |
| Part Number | Cable Type | Notes |
|---|---|---|
| SMP-JHD-F/L/S |
![]() |
![]() |
| Part Number | Cable Type | Notes |
|---|---|---|
| SMP-JHD13-L | |
![]() |
![]() |
| Part Number | Cable Type | Notes |
|---|---|---|
| SMP-JHD21 | |
![]() |
![]() |
| Part Number | Cable Type | Notes |
|---|---|---|
| SMP-JHD22 | |
SHARE:














